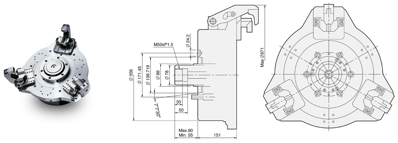
F52 Special Purpose Power Chucks

- All sliding surfaces are hardened and ground for accurate actual running and long service repeatability.
- Mounting : Adaptor mounting to fit with DIN, ISO, BS, ASA, B5-9 type A spindles.
| Matching Wheel Size |
Out Dai. Of Chuck (mm) |
Matching Spindle |
Max. Pull Force kN(kgf) |
Max. Gripping Force kN(kgf) |
Max. Operating Pressure MPa(kgf / cm²) |
Max. Speed (r.p.m.) |
Weight (Without Jigs) (kg) |
Matching Cylinder |
SPEC Part Number | Price Each |
| 12"-18" | 521 | A2-8 | 33.9(3456) | 32.4(3303) | 3.3(33.6) | 2800(18"2200) | 98 | MS125C35 | F52A8 | Call or Email |